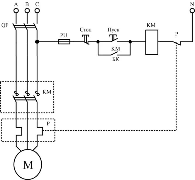
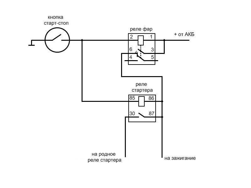
Кнопка управления двигателем