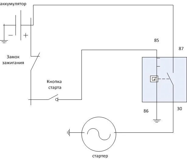
Кнопка стартера схема подключения