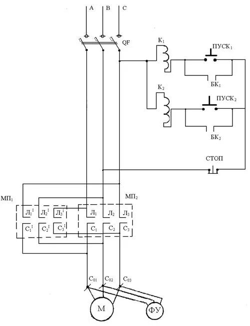
Кнопка пуск реверс