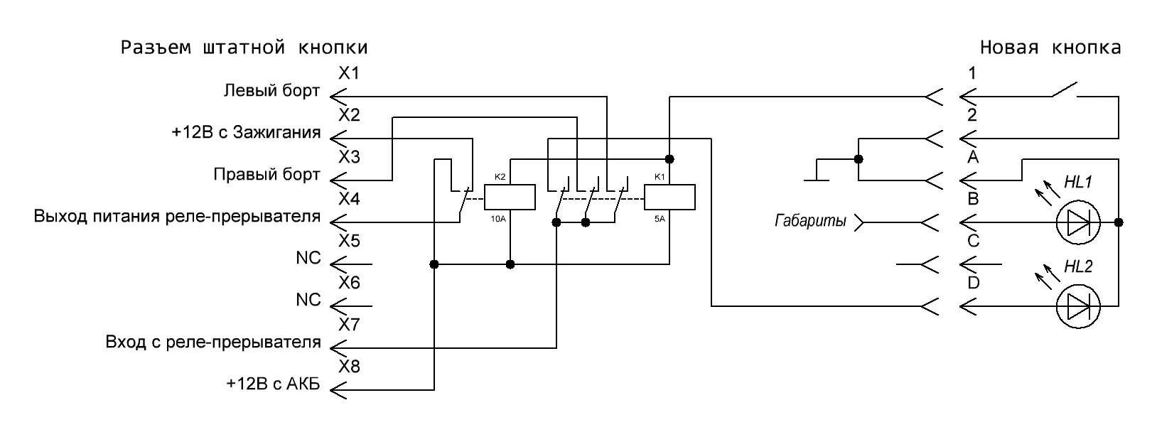
Кнопка аварийной сигнализации схема