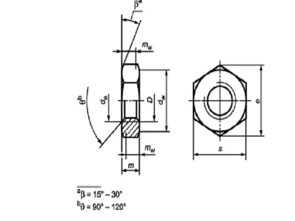
Классы точности гаек шестигранных