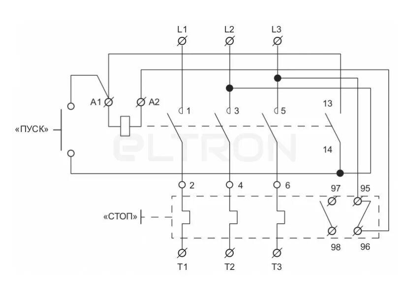
Катушка управления магнитного пускателя