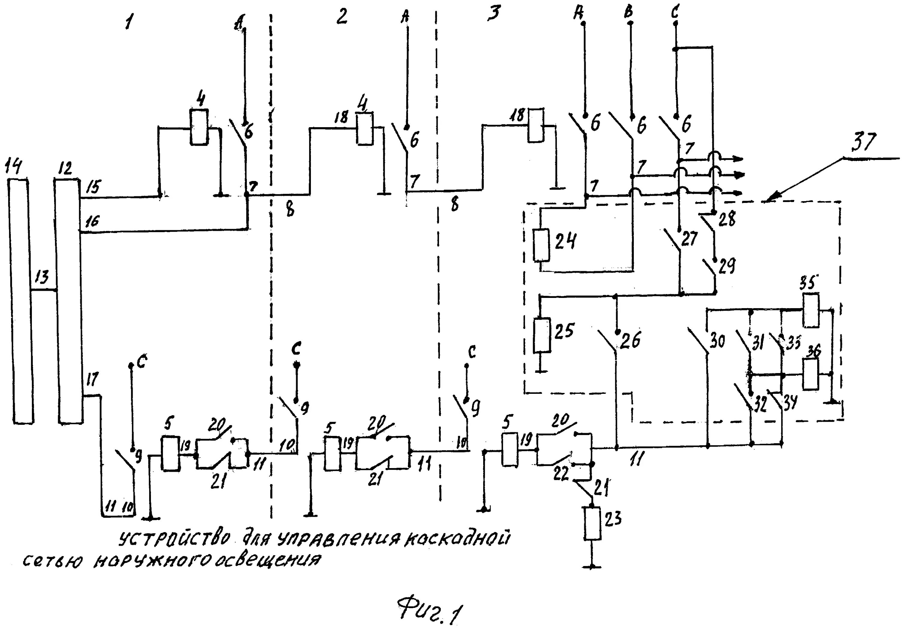
Каскадное управление наружным освещением