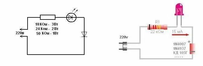
Какой резистор надо соединить