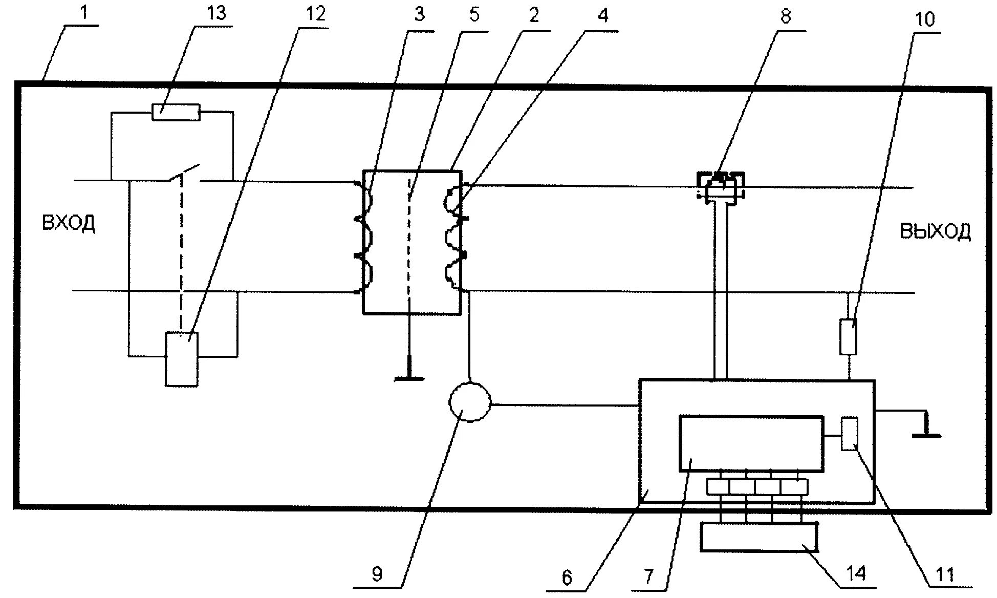
Какой прибор нельзя подключать к трансформатору