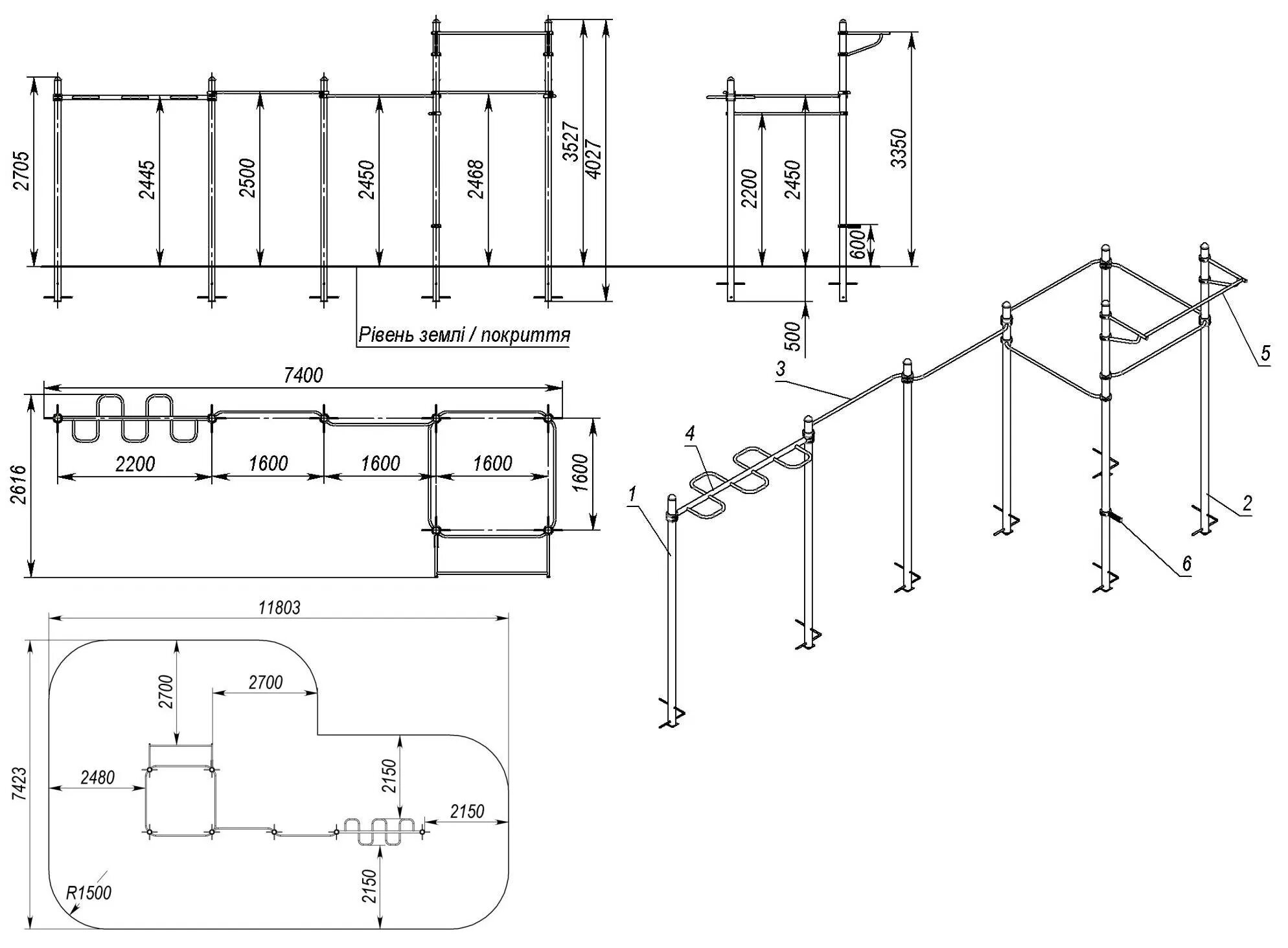
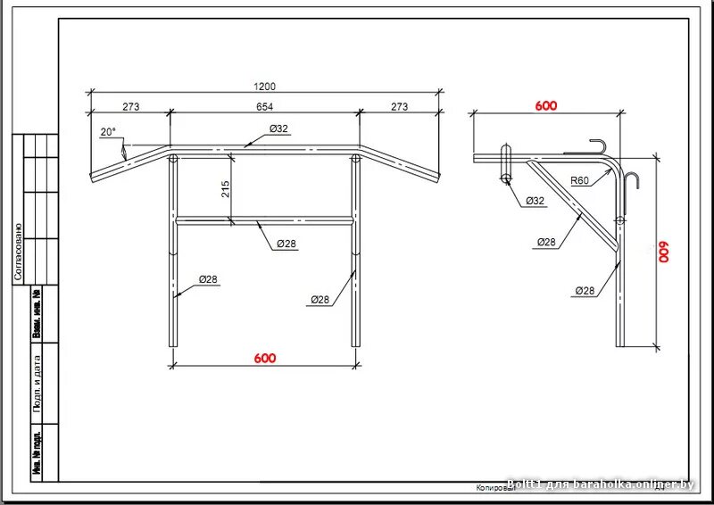
Какое расстояние между брусьев