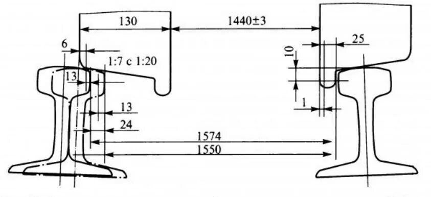
Какое расстояние должно быть между рельсами