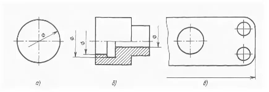
Какая линия чертежа применяется для осей симметрии