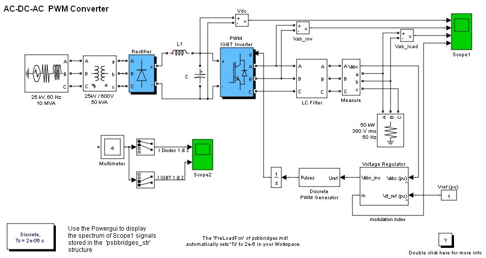
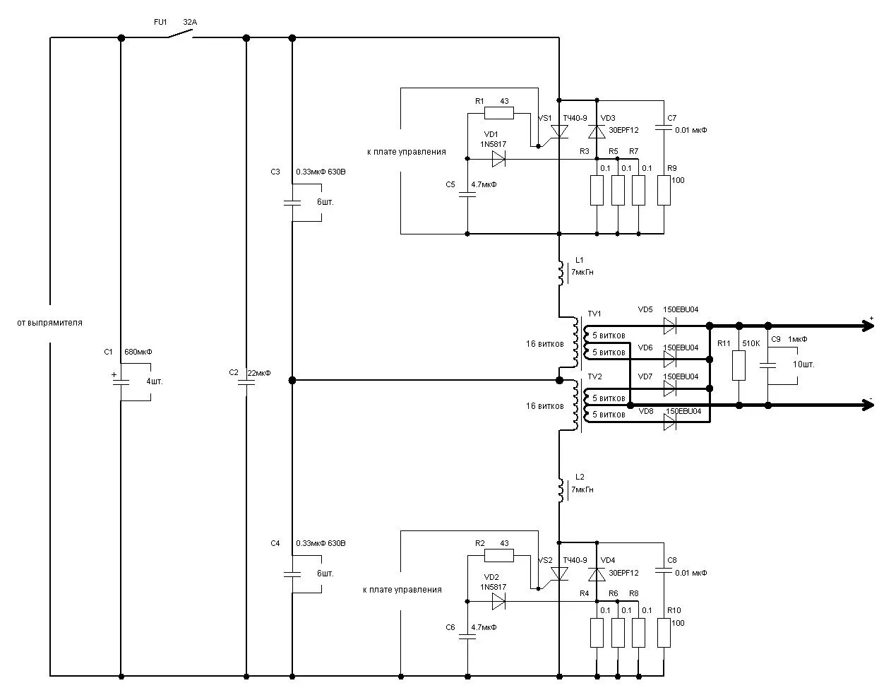
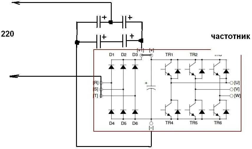
Как запустить инвертор