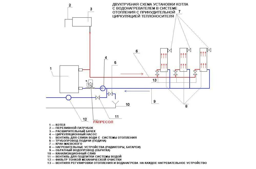
Как заполнить систему отопления теплоносителем