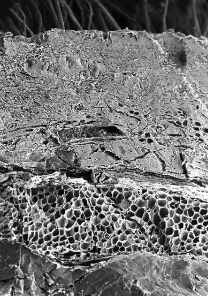
Как выглядит человек под микроскопом