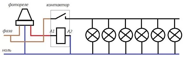
Как включить 10 ламп для освещения трамвайного