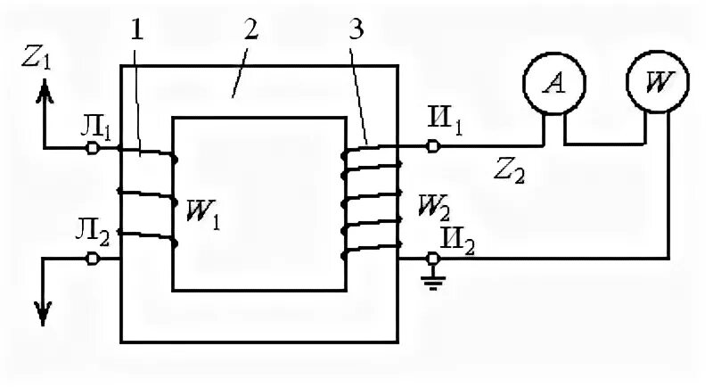
Как включают трансформатор тока