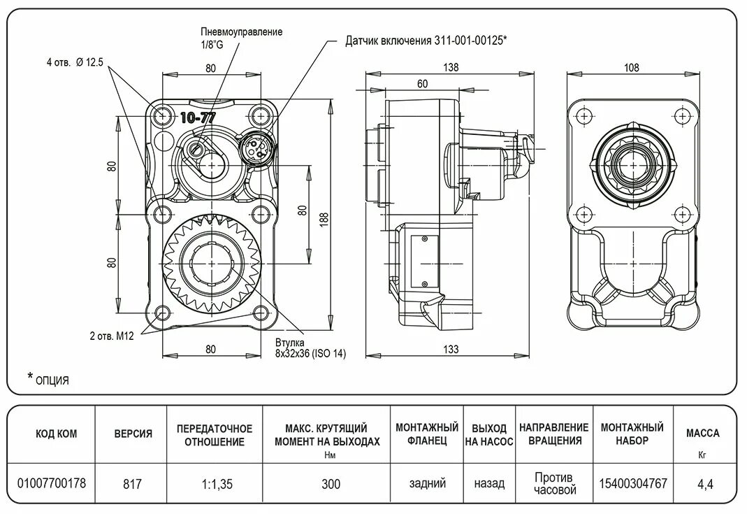
Как установить отбор мощности