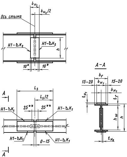
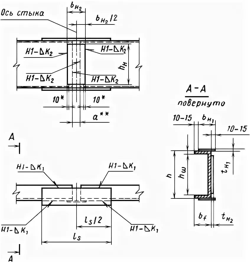
Как сваривать двутавр