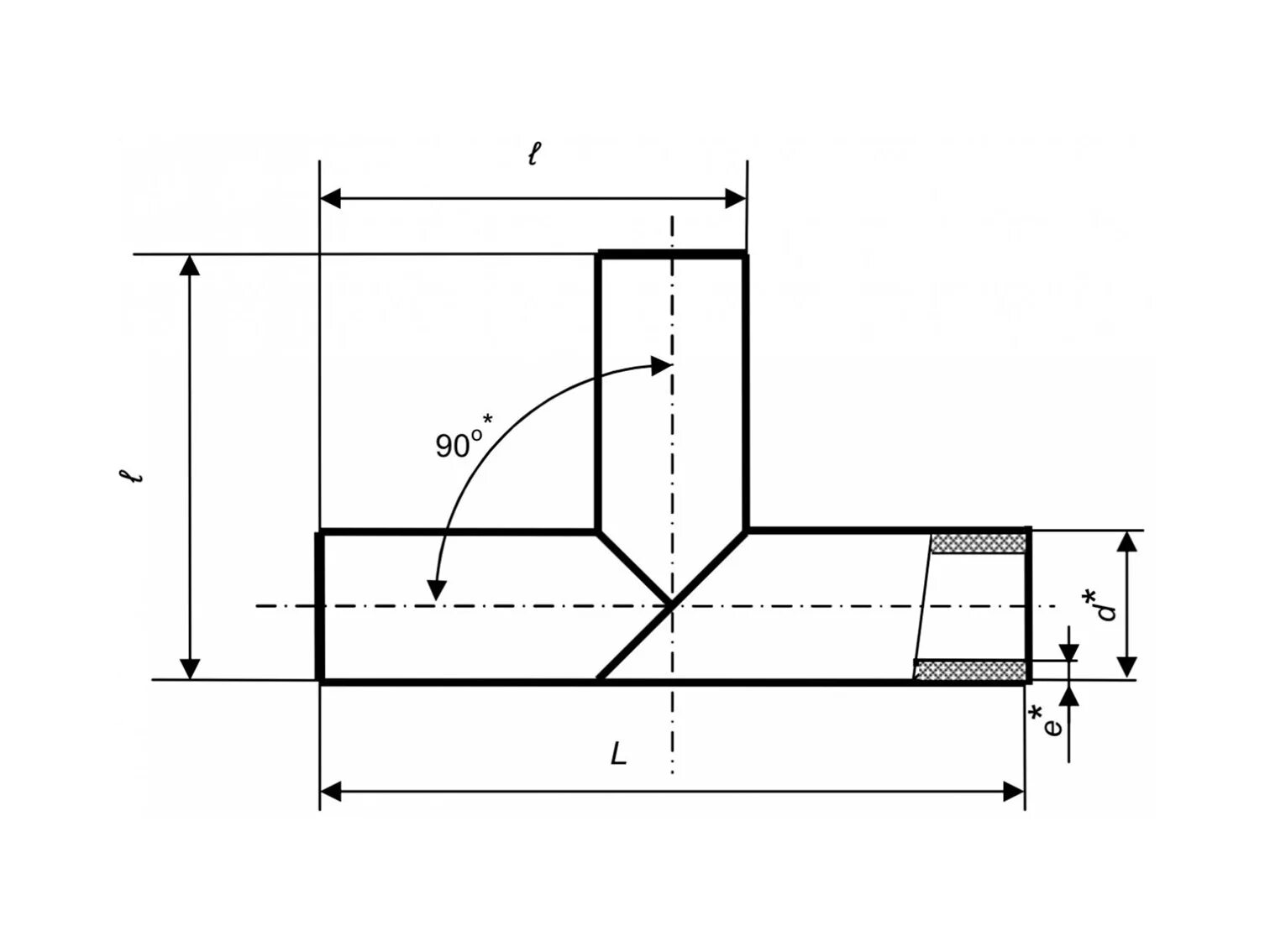
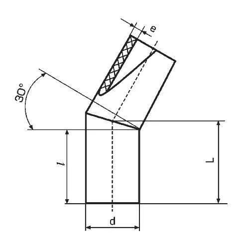
Как соединить углом трубу