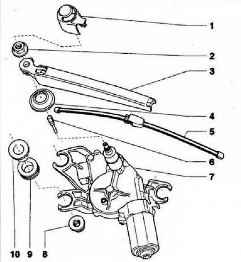
Как снять стеклоочиститель заднего стекла