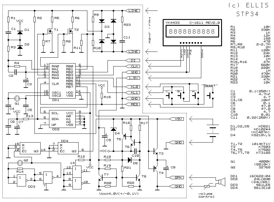
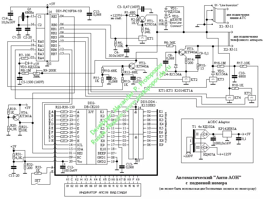
Как сделать защиту и аон