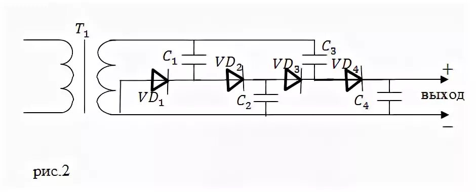
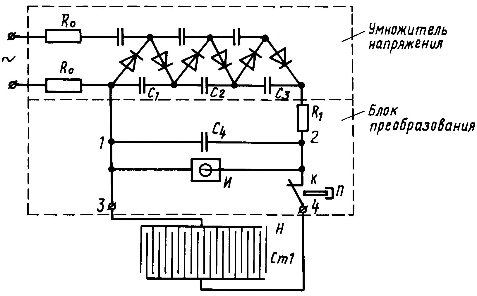
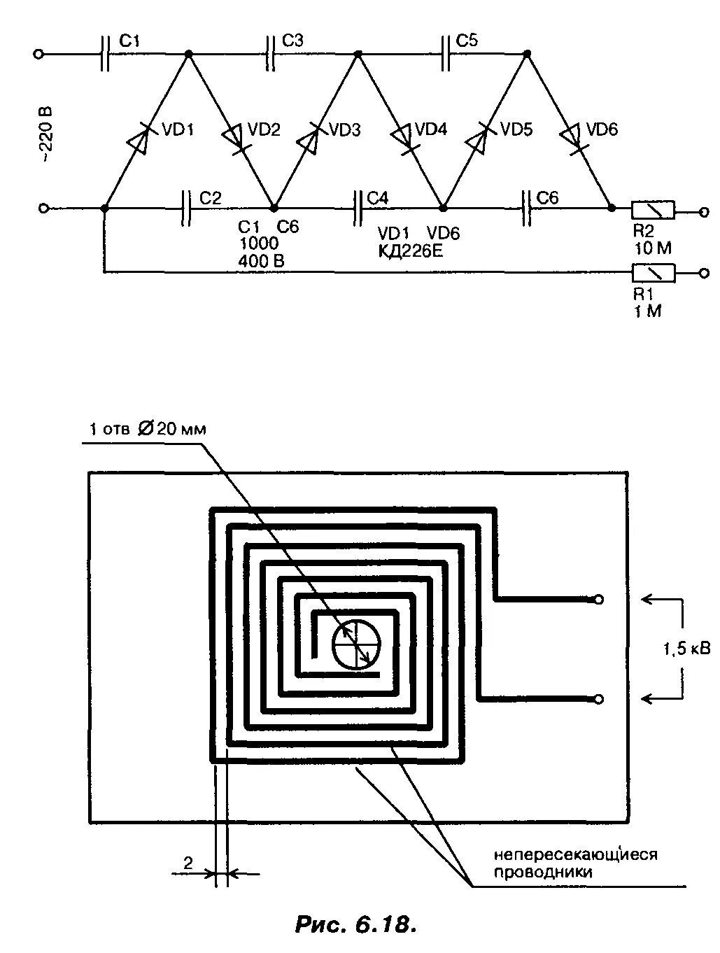
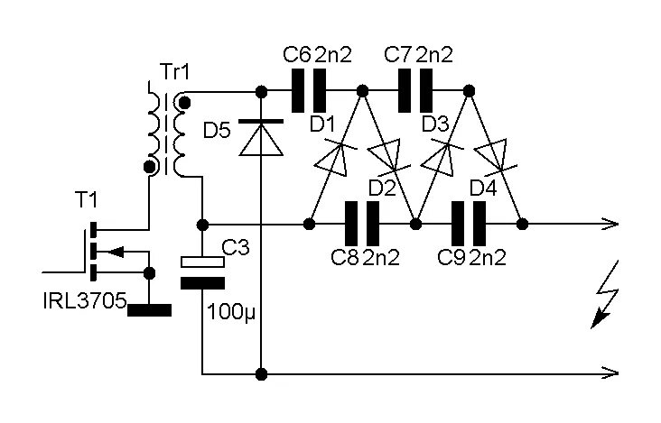
Как сделать умножитель напряжения