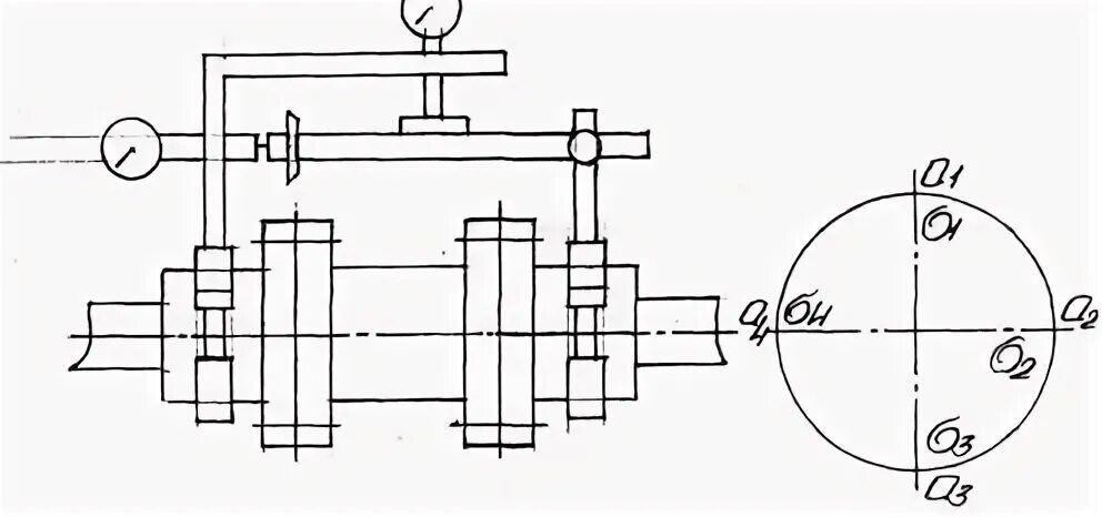
Как сделать центровку