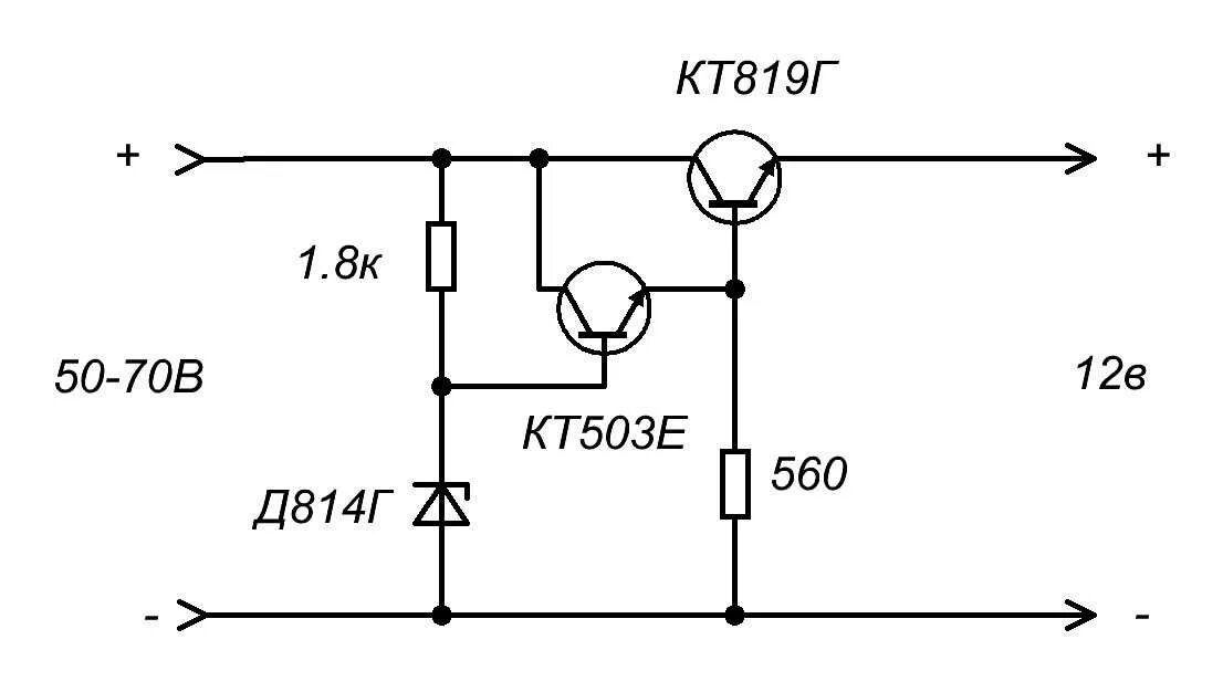
Как сделать стабилизатор напряжения своими руками