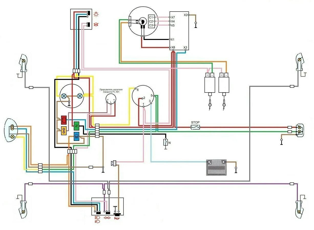
Как сделать проводку на иж