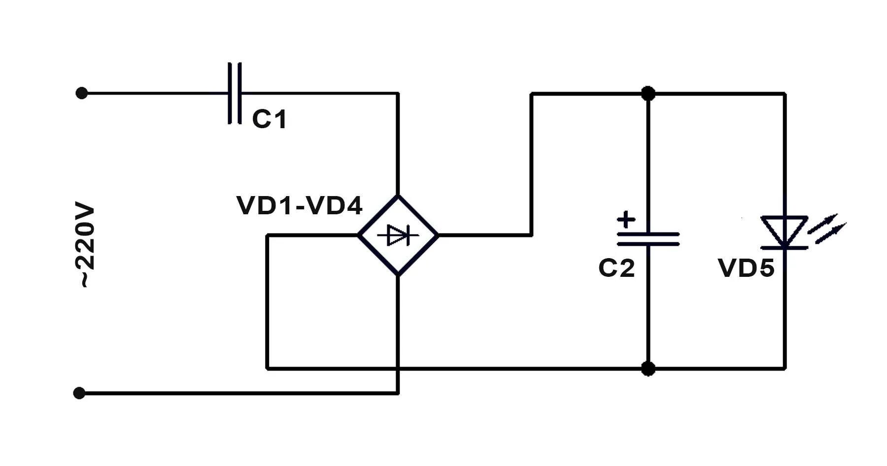
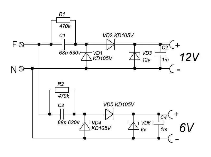
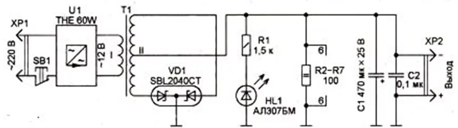
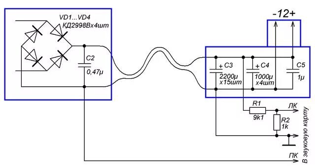
Как сделать питание от сети