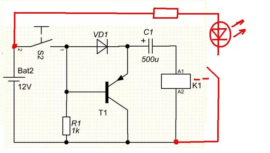
Как сделать кнопку включения и выключения