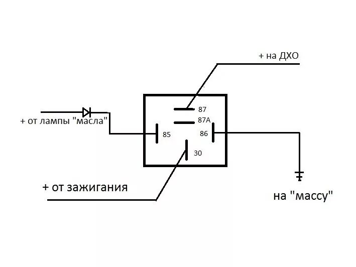
Как сделать чтобы включались фары