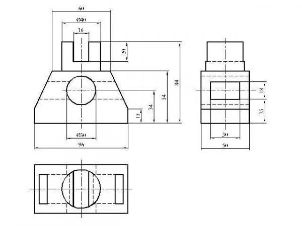
Как рисовать вид слева