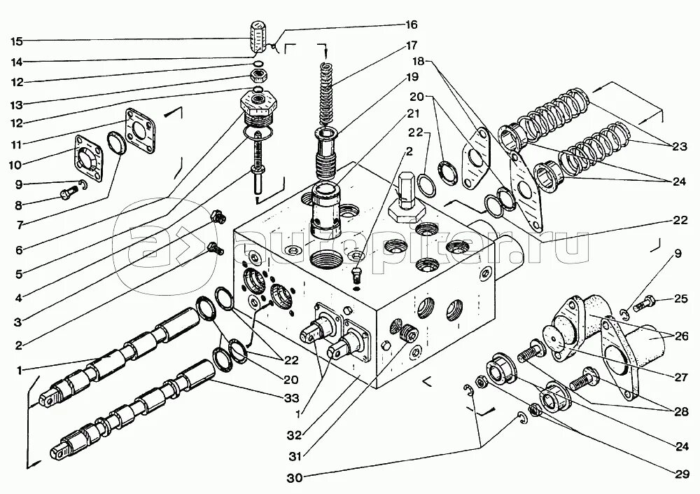
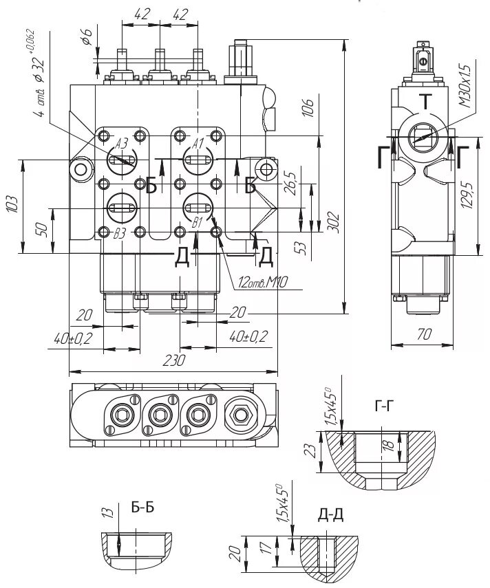
Как регулировать распределитель