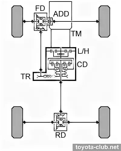
Как работает полный привод 4wd