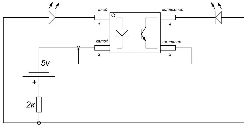
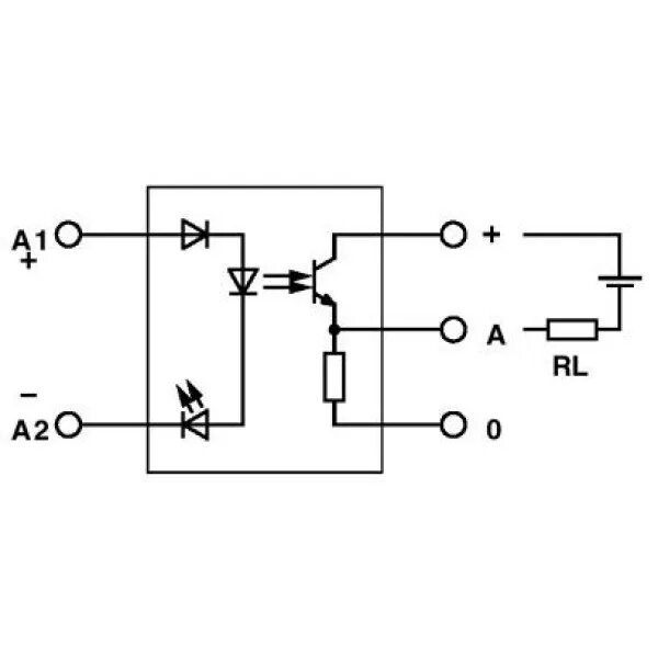
Как работает оптрон