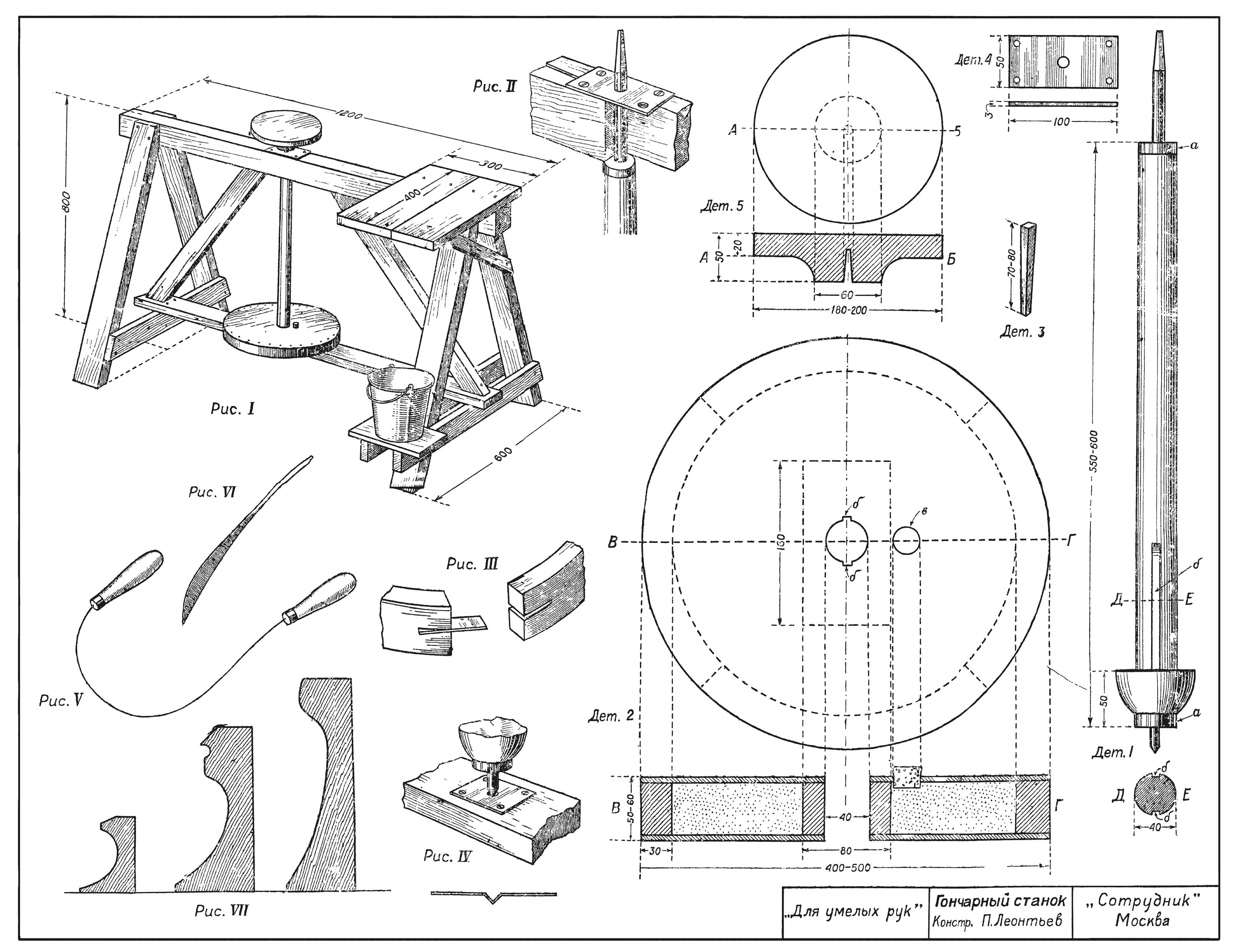
Как работает ножной гончарный круг