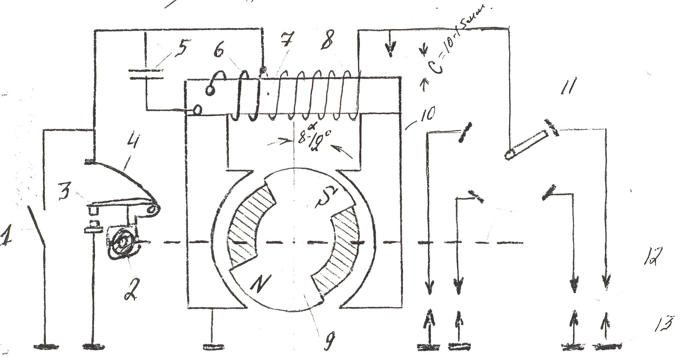
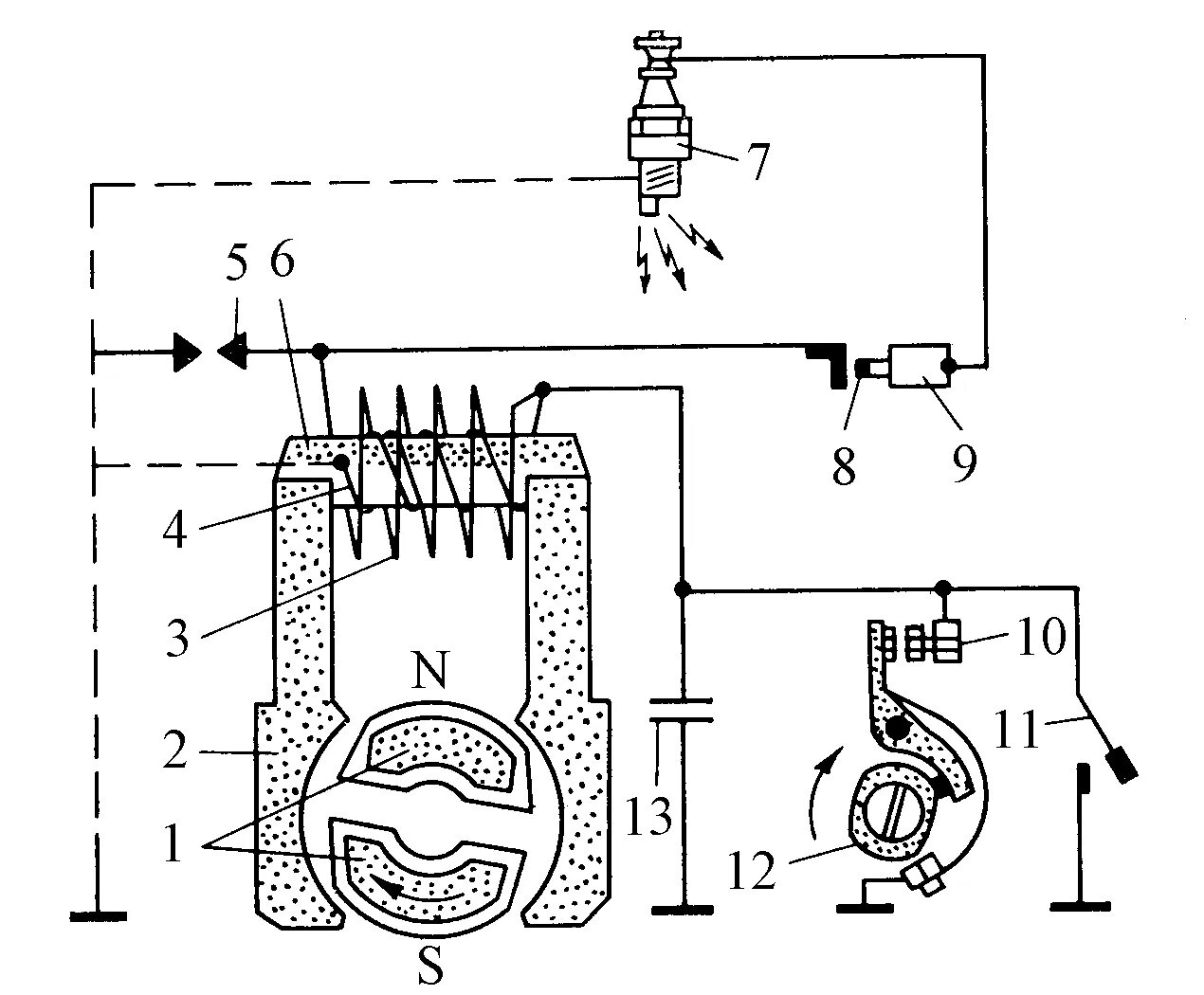
Как работает магнето