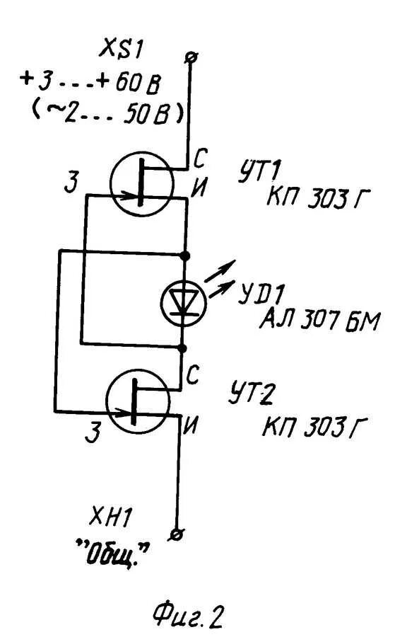
Как работает индикатор напряжения