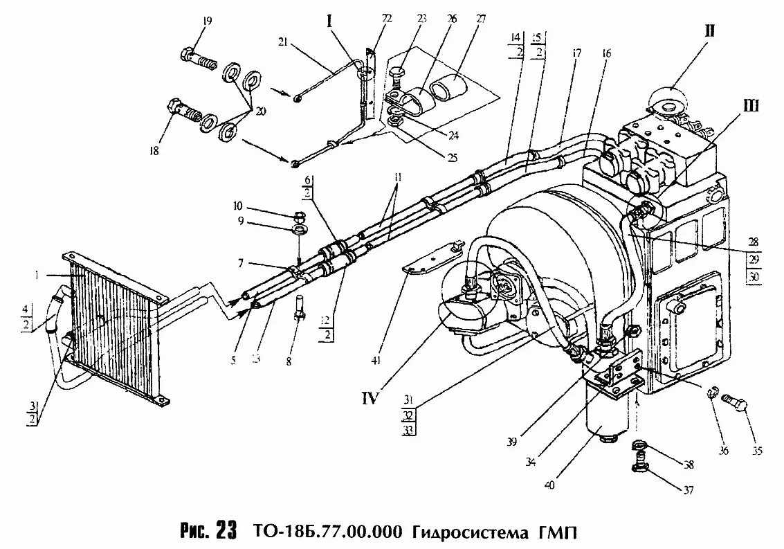
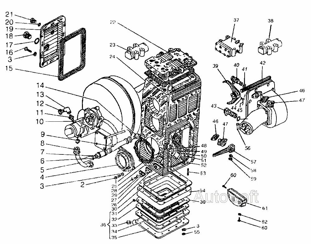
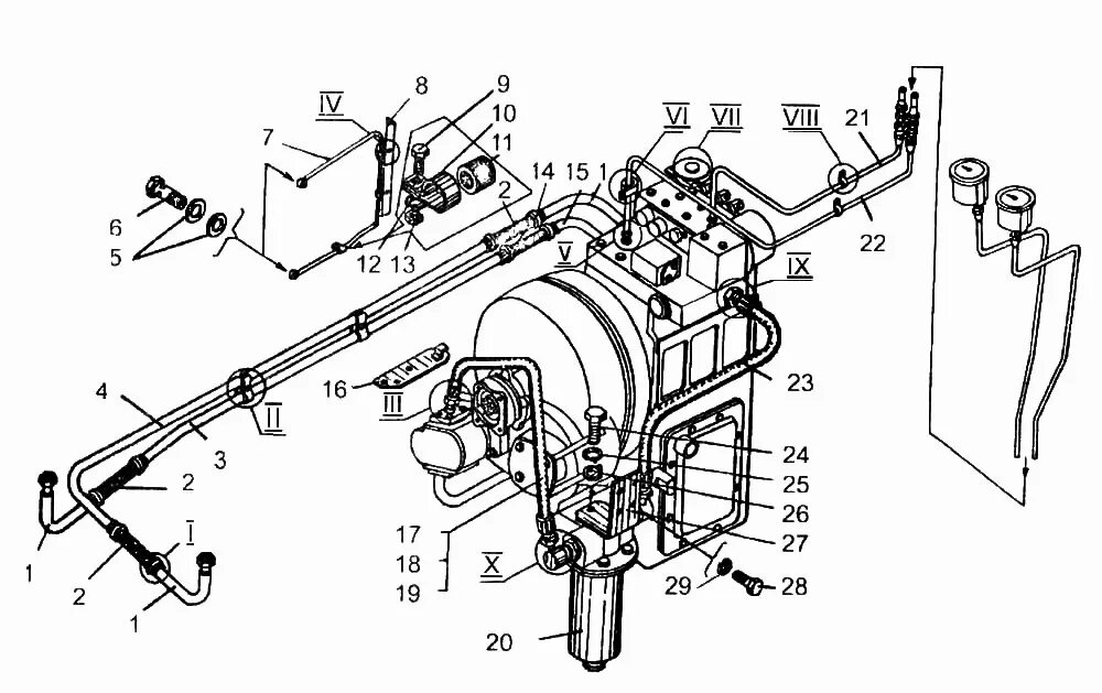
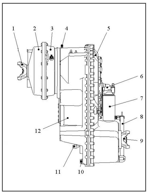
Как работает гмп