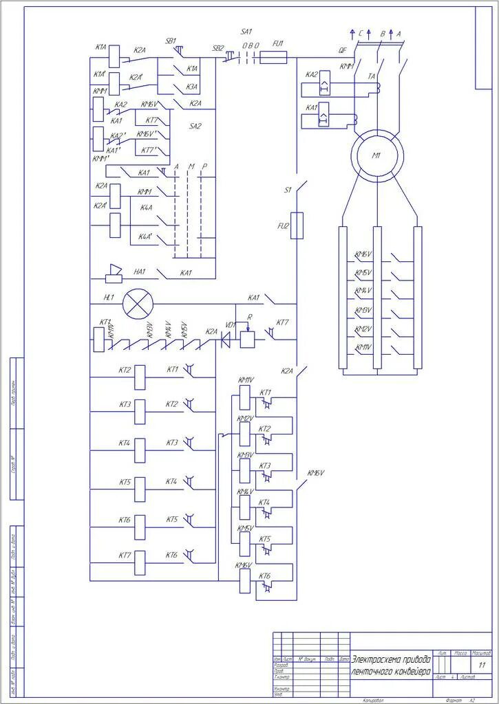
Как работает электросхема