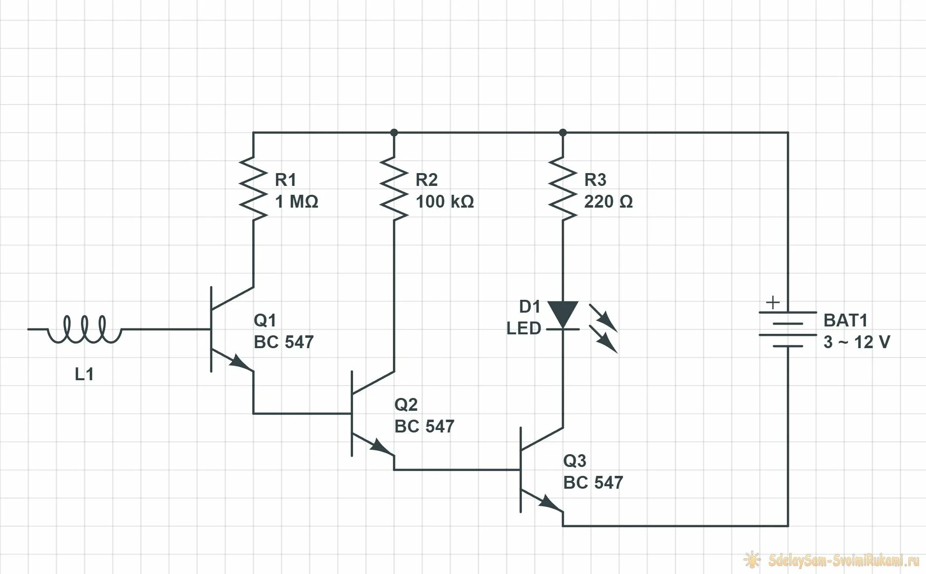
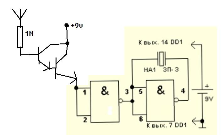
Как работает детектор проводки