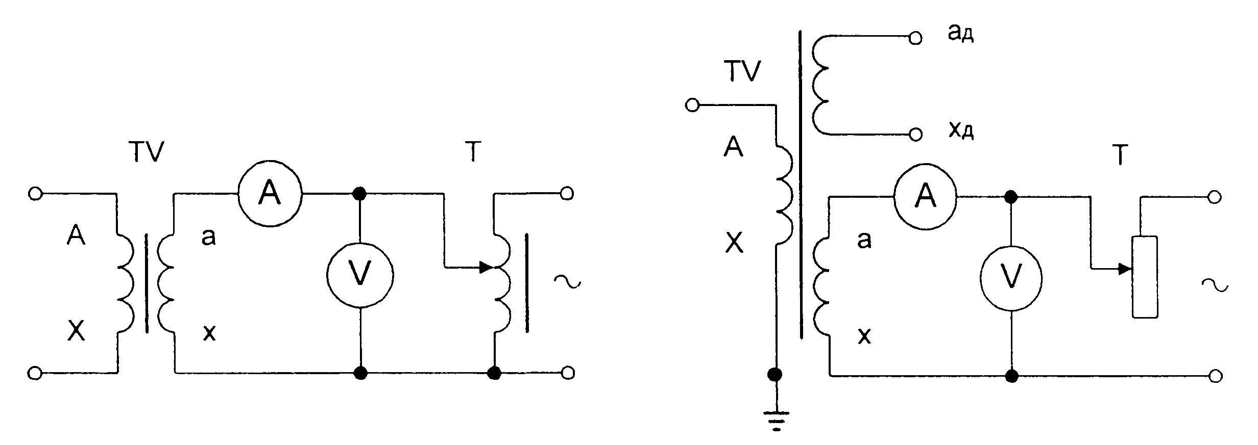
Как проверить трансформатор напряжения