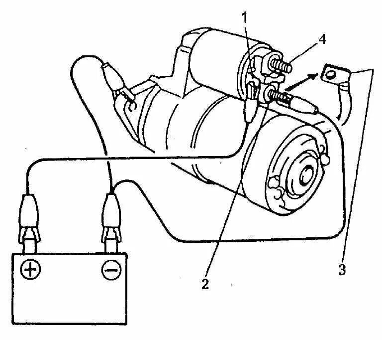
Как проверить стартер рабочий или нет