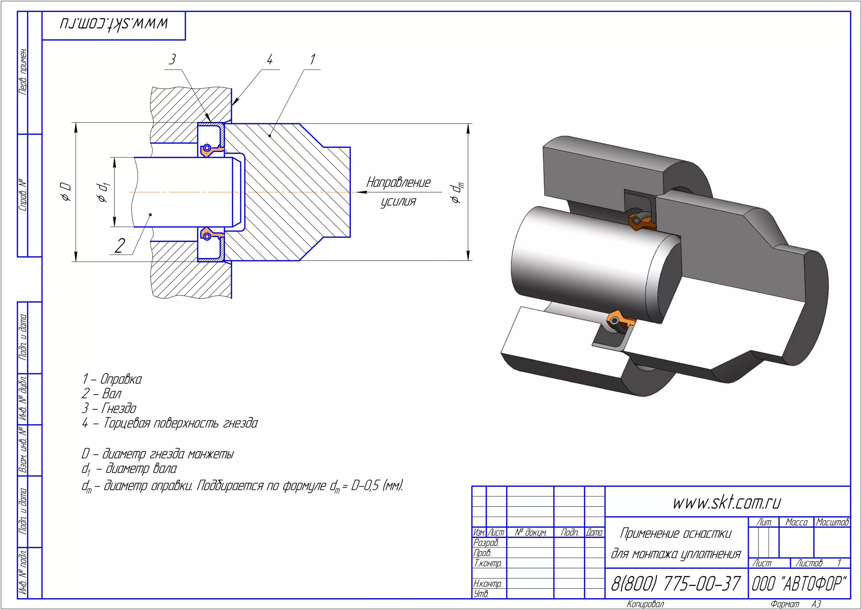
Как правильно заменить 2