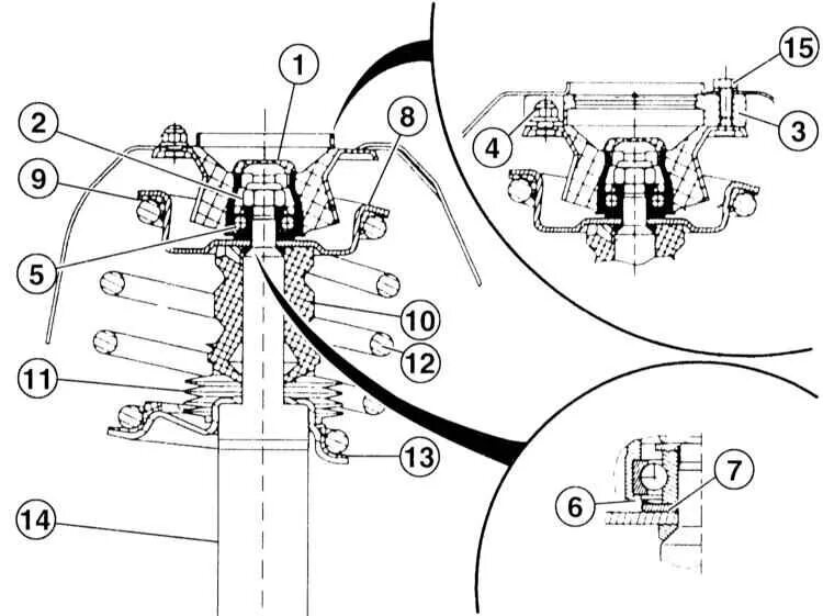
Как правильно установить опору передней стойки