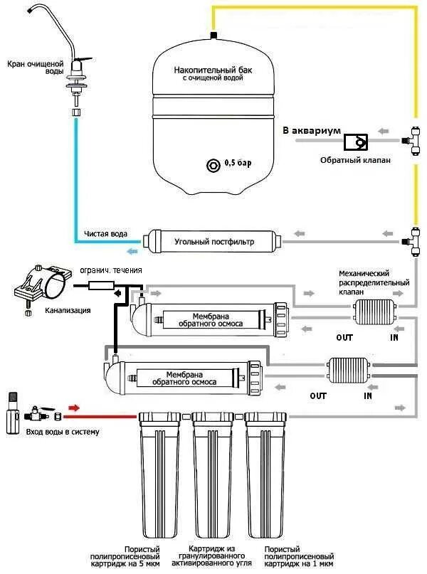
Как правильно установить обратный осмос