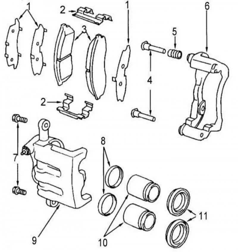
Как правильно ставить направляющие суппорта