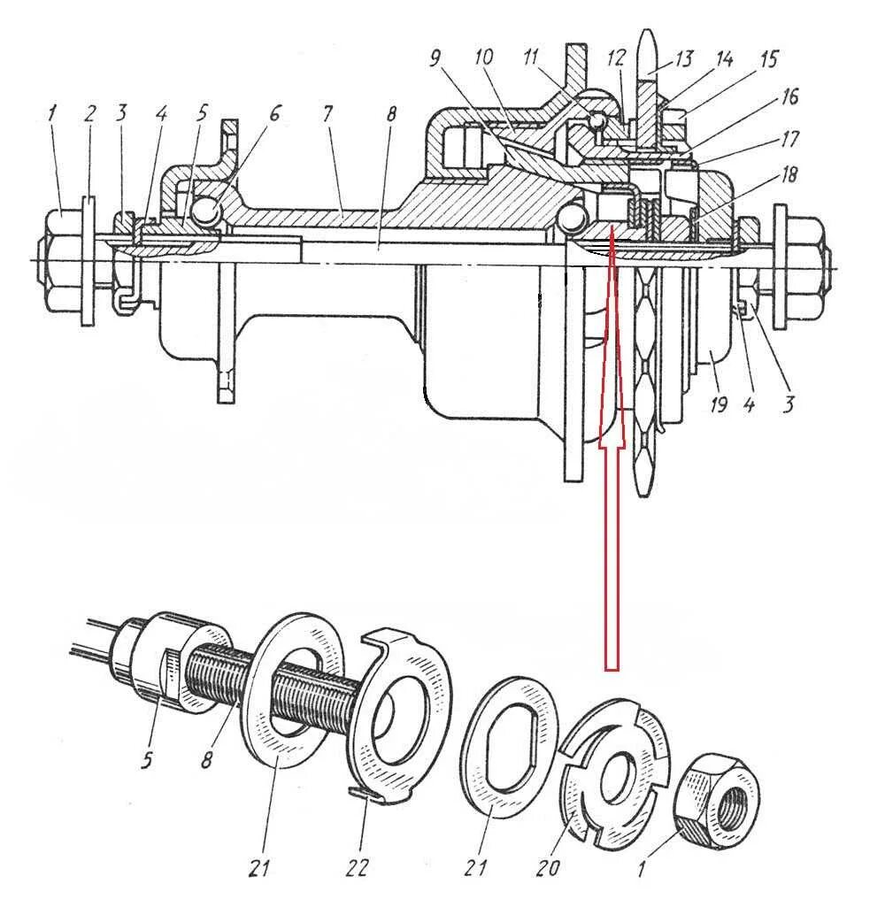
Как правильно собрать заднюю втулку