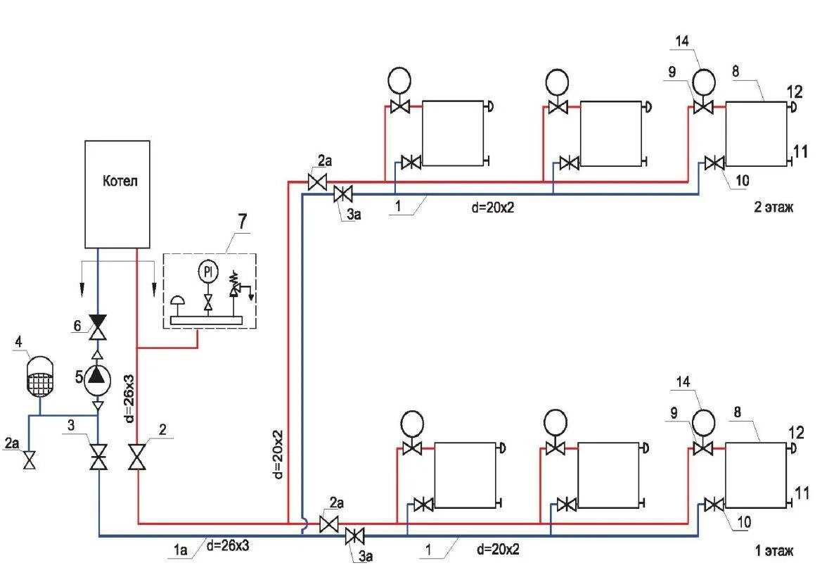
Как правильно сделать схему отопления