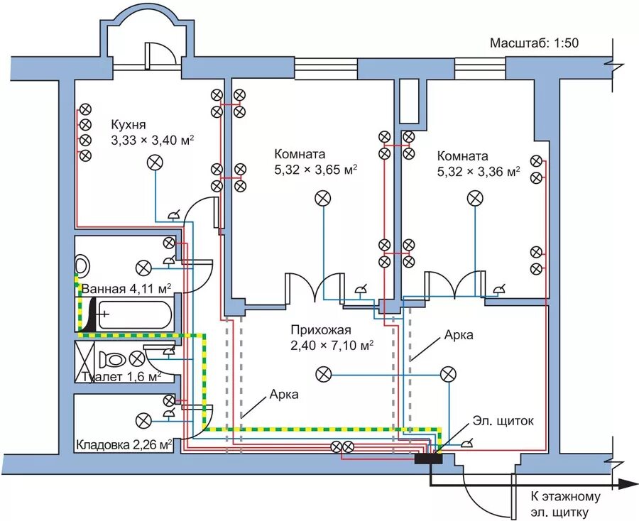
Как правильно проводить проводку в доме