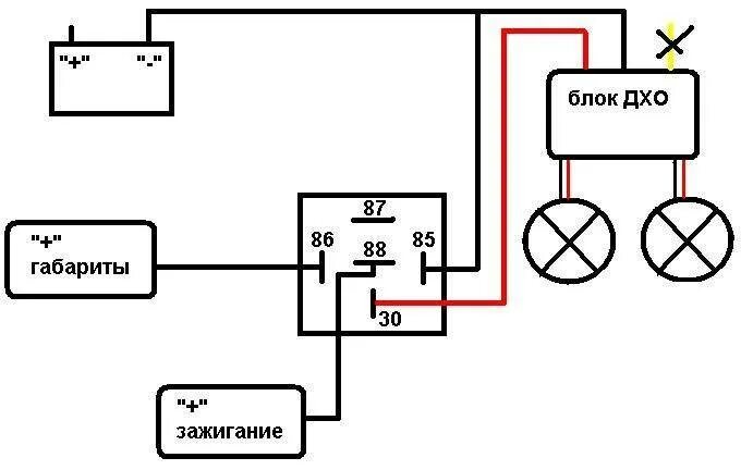
Как поставить дхо