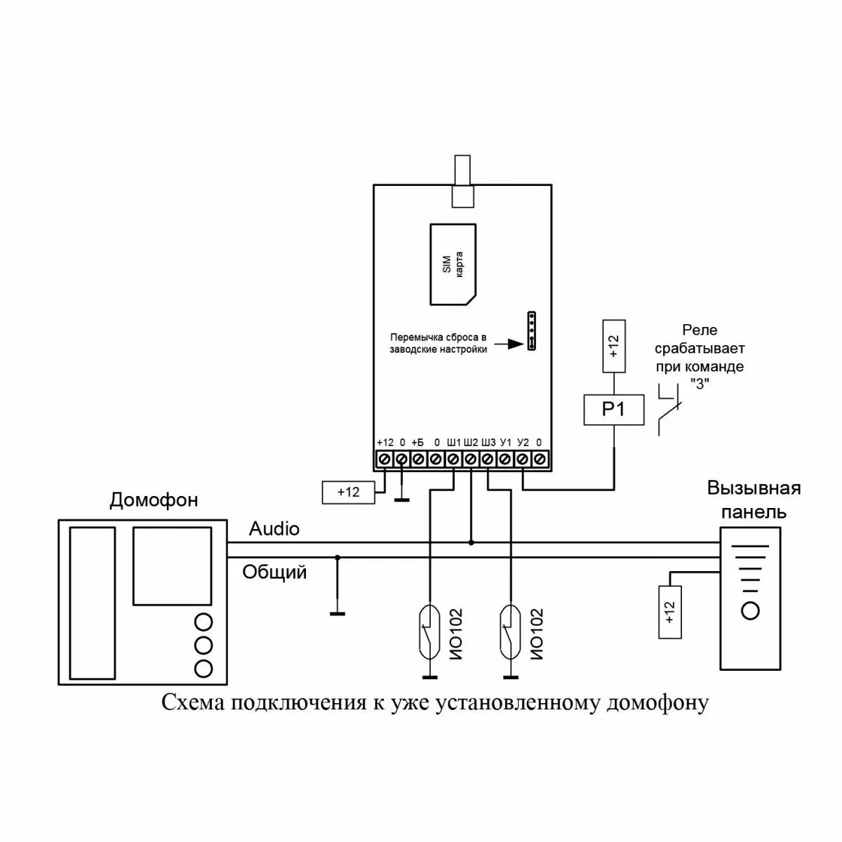
Как подключиться к домофону умный дом